Achoimre Táirge
| Caidéal Gréine Sraith RVE35 VFD | | |
| | IONCHUR DC/AC | |
| | Dearadh scagtha | |
| | MPPT | |
| Paraiméadrach | ||
| Múnla | RVE35-T3-90G ~ RVE35-T3-132G |
| Voltas | ionchur 350VDC go 800/900VDC, ionchur 3 PH 380VAC go 440VAC | |
| rátáil P (kW) | 90/110/132 | |
| Reatha rátáilte (A) | 170/210/250/300 | |
| MPPT Vmp/Voc | 540/660 | |
| Toisí (mm) | 845*305*358 | |
Cúlra Feidhmchláir
| Le blianta beaga anuas, le déine méadaithe na "fhadhb bia" domhanda agus "fadhb fuinnimh" caidéil uisce gréine de réir a chéile mar na táirgí comhtháthú tionsclaíocha éifeachtacha chun an fhadhb a réiteach maidir le haschur éifeachtach talún saothraithe a mhéadú agus fuinneamh iontaise a athsholáthar le fuinneamh glan. Mar thoradh air sin, rugadh múnla eacnamaíoch atá ag teacht chun cinn inar fhorbair tionscal na gréine i gcomhcheangal le tionscail thraidisiúnta mar chaomhnú uisce talmhaíochta, rialú fásaigh, úsáid uisce tí, agus uiscedhreach uirbeach. |
Gnéithe Táirge
• Uasmhéid rianaithe pointe cumhachta (MPPT) le luas freagartha tapa agus oibriú cobhsaí
• Cosaint rith tirim (faoi ualach).
• Uaschosaint srutha mhótair
• Cosaint cumhachta ionchuir
• Cosaint ar mhinicíocht stad íseal
• Leis an gcuar feidhmíochta PQ (cumhacht/sreabhadh) is féidir an t-aschur sreafa ón gcaidéal a ríomh
• Rialú digiteach le haghaidh oibriú go hiomlán uathoibríoch, stóráil sonraí agus feidhmeanna cosanta
• Modúl cumhachta Chliste (IPM) don phríomhchiorcad
• Painéal oibriúcháin taispeána LED agus tacaítear le cianrialtán
• Tá ionchur soláthair cumhachta AC agus DC dé-mhód ar fáil
• Braiteoir taiscéalaithe uisce íseal, agus feidhm rialaithe leibhéal an uisce
• Teocht chomhthimpeallach lena n-úsáid: -10 go 50˚C.
| Dearadh scagtha Laghdaigh an limistéar suiteála 50% Laghdú 30% ar an toirt | |
| | Úsáidtear an meaisín sciath péint trí-chruthúnas lán-uathoibríoch chun ciseal cosanta an bhoird chuaird a thiús, rud a chosc go héifeachtach damáiste an bhoird chuaird de bharr deannaigh gaoithe, gás creimneach agus aer tais. |
| | Glacadh le trealamh braite lán-uathoibríoch chun táscairí leictreacha éagsúla agus feidhmeanna cosanta táirgí atá faoi ualach rátáilte a thástáil. |
| | Tá gach táirge fnished faoi ualach ar feadh 48 uair an chloig ag teocht ard 60 céim, agus ansin déantar tástáil ar na táscairí leictreacha go léir faoi ualach, ionas go laghdófar ráta teip an táirge. |
Ainmníocht na Samhla
Sraith ghinearálta cineál S2:
Ionchur Vmp 310VDC nó 220VAC, aschur 1/3 chéim 0-220VAC
| Múnla | Reatha rátáilte ( A ) | Voltas aschuir ( VAC ) | Infheidhme maidir le caidéal cumhachta (kW). | Méid seachtrach an tiománaí H*W*D (mm) | MPPT Vmp/Voc |
| RVE35-S2-0R7G | 4 | 0-220 | 0.75 | 187*86*152 | 310/372 |
| RVE35-S2-1R5G | 7 | 0-220 | 1.5 | ||
| RVE35-S2-2R2G | 10 | 0-220 | 2.2 | ||
| RVE35-S2-3G | 13 | 0-220 | 3 | 265*105*164 | |
| RVE35-S2-4G | 16 | 0-220 | 4 |
Sraith ghinearálta cineál T3:
Vmp540 go 650VDC nó ionchur 380 go 460VAC, aschur 3 chéim 0-380 / 460VAC
| Múnla | Reatha rátáilte ( A ) | Voltas aschuir ( VAC ) | Infheidhme maidir le caidéal cumhachta (kW). | Méid seachtrach an tiománaí H*W*D (mm) | MPPT Vmp/Voc |
| RVE35-T3-0R7GB | 2.5/3.7 | 0-380/440 | 0.75 | 187*86*152 | 540/660 |
| RVE35-T3-1R5GB | 3.7/5 | 0-380/440 | 1.5 | ||
| RVE35-T3-2R2GB | 5/10 | 0-380/440 | 2.2 | ||
| RVE35-T3-4GB | 10/13 | 0-380/440 | 4.0 | ||
| RVE35-T3-5R5GB | 13/16 | 0-380/440 | 5.5 | 265*105*164 | |
| RVE35-T3-7R5GB(Cás Plaisteacha) | 16/25 | 0-380/440 | 7.5 | ||
| RVE35-T3-7R5GB (cás iarainn) | 16/25 | 0-380/440 | 7.5 | 333*150*216 | |
| RVE35-T3-11GB | 25/32 | 0-380/440 | 11 | ||
| RVE35-T3-15GB | 32/38 | 0-380/440 | 15 | ||
| RVE35-T3-18GB | 38/45 | 0-380/440 | 18 | 383*180*228 | |
| RVE35-T3-22GB | 45/60 | 0-380/440 | 22 | ||
| RVE35-T3-30GB | 60/75 | 0-380/440 | 30 | 435*175*265 | |
| RVE35-T3-37GB | 75/90 | 0-380/440 | 37 | ||
| RVE35-T3-45G | 90/110 | 0-380/440 | 45 | 670*265*358 | |
| RVE35-T3-55G | 110/150 | 0-380/440 | 55 | ||
| RVE35-T3-75G | 150/170 | 0-380/440 | 75 | ||
| RVE35-T3-90G | 170/210 | 0-380/440 | 90 | 845*305*358 | |
| RVE35-T3-110G | 210A/250 | 0-380/440 | 110 | ||
| RVE35-T3-132G | 250A/300 | 0-380/440 | 132 | ||
| RVE35-T3-160G | 300A/340 | 0-380/440 | 160 | 788*500*360 | |
| RVE35-T3-185G | 340/380 | 0-380/440 | 185 | ||
| RVE35-T3-200G | 380/415 | 0-380/440 | 200 | 900*540*358 | |
| RVE35-T3-220G | 415/470 | 0-380/440 | 220 | ||
| RVE35-T3-250G | 470/520 | 0-380/440 | 250 | ||
| RVE35-T3-280G | 520/600 | 0-380/440 | 280 | 1035*620*400 | |
| RVE35-T3-315G | 600/680 | 0-380/440 | 315 | ||
| RVE35-T3-355G | 680/750 | 0-380/440 | 355 | 1290*780*410 | |
| RVE35-T3-400G | 750/810 | 0-380/440 | 400 |
Feidhmíocht den Scoth
| | Rialú veicteoir ardfheidhmíochta chun cruinneas trealaimh a fheabhsú |
| Sroicheann an mhinicíocht aschuir uasta faoi rialú veicteora 1500 Hz, ar féidir léi aschur luais ardchruinneas a bhaint amach laistigh den raon rialaithe luais mhaighnéadaigh lag aonuaire. | |
| | |
| | Tiomáint foirfe do mhótair sioncrónacha |
| Cruth tonn reatha an mhótair shioncronaigh i mód rialaithe veicteora lúb oscailte ag 500 Hz le hualach rátáilte 100%. | |
| | |
| | Dearadh iontaofa diomailt teasa |
| Is féidir leis an teicneolaíocht neamhspleách um dhearadh duchta aeir dúbailte úsáid an tiomántáin gréine caidéil a bhaint amach le teocht fáinne 50 ℃ gan laghdú acmhainne. |
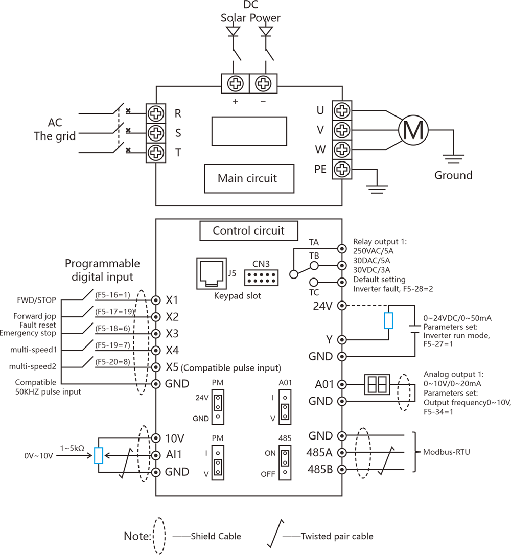
Léaráid Sreangaithe
Maidir le táirgí RVE35 0.75kw-7.5kw, tabhair faoi deara le do thoil:
1. Níl críochfoirt ionchuir loighic X6 agus X7 sa táirge;
2. Níl sa táirge ach 1 ionchur analógach, 1 aschur analógach, agus 1 aschur sealaíochta










































